产品简介
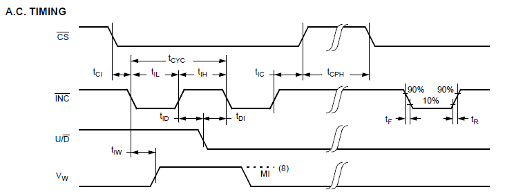
在各种电桥电路中,为了调节电桥平衡,必须对电位器进行多次调节,方能使电桥达到平衡,在使用过程中,当这些电位器受到振动,冲击,温度,湿度等外界环境因素的影响,电位器的位置和参数将发生变化,致使系统指标改变,要使系统达到原状,必须进行调节,这给使用带来很多的不便,为此,在电桥的桥臂电路中,使用数组电位器和数字技术,不仅克服上述缺点,还可以大大提高系统的精度。 X9C104是100阶数字电位器,具体有X9C102/103/104/503系列,电阻范围为40R~100K,X9C104内部包含有99个电阻阵列,在每个单元之间和两个端点上都有被滑动单元访问的抽头点,滑动单元的位置由CS,U/D和INC三个输入端控制,一但位置选定后,可存放在非易失性存储器中,在下次上电之后可重新调用。数字电位器的变化均是阶梯式或者增量式,阻值变化成线性变化。 例如X9C104,阻值范围40R~100K,共分为100阶,则每个抽头点的增量为1010R。 有温度补偿功能:端点间的电阻误差:±20%; 滑动端位置数据可长时间保存,时间为100年; 电阻分辨率较高:1%。
1. 工作电压(V): 5
2. 总阻值(kΩ): 100
3. 端电压(V): -5~5
4. 抽头数: 100
5. 接口方式: CS,U/D,INC
6. 电阻增加方式: 线性
7. 工作电流(mA): 3
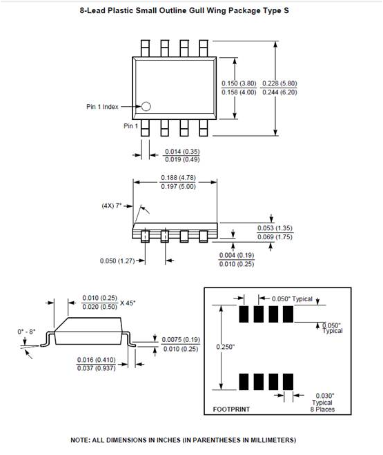
8. 封装/温度(℃): 8SOIC/-40~85
9. 描述: 抽头位置掉电自动保存




产品图片


资料下载:http://pan.baidu.com/s/1geKUdgf